Manufacturer and Stockiest of All types of gear couples, v belt pulleys, sprockets, rolling, sugar, construction machinery & cement plant machinery spares,
Email Address
supermechind@yahoo.com
Call us now
+91 96621 60816
Inquiry Now!
Home
About Us
Products
Gear Couplings
Gear Box
Naylone Gear Couplings
BC Type Couplings
RB Type Couplings
Tyre Couplings - A Series
Tyre Couplings - TC Series
Tyre Couplings - PH Series
Resilient Coupling - Z & Y Series
Hydraulic Thruster Brake
Electromagnetic Disk Brake
NMRV Gear Box
Flexible Couplings
Industrial Coupling
Mechanical Coupling
Bush Couplings
Brake Drum Couple
Machinery and Spare Parts
Concrete Mixer Machine Spares
EOT Hot Crane and Spares
RRS Coupling
Industrial Pulley
Chain Sprocket
Pinion and Sprockets
Gear Motor
Crown Pinion
Conveyor Pulleys
Extruder Gearbox
Helical Geared Motor
Bathroom Fittings and Accessories
Pipe Connector
Hydraulic Thruster Brake
Solid V-Belt Pulleys
Gear Shafts
Helical Gear Box
Drum Brakes
Bar Bending Machine
Rack And Pinion
Timing Belt Pulleys
Industrial Conveyors
Bronze Bushes
Industrial Blowers
Hydraulic Fittings
Concrete Mixer Plant
Brake Drum Geared Coupling
Brake Drum Pin Bush Coupling
Chain Couplings
Electro Magnetic Disk Brake
HRC Coupling
Star Coupling
Gear Unit General
Shaft Mounted Speed Reducer Gear
Single Reduction Warm Gear Unit
Quality Assurance
Industries Served
Blog
Contact Us
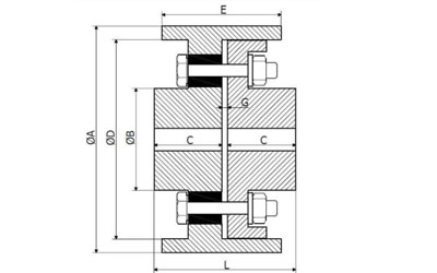
Brake Drum Pin Bush Coupling
Manufacturer and Stockiest of All types of gear couples, v belt pulleys, sprockets, rolling, sugar, construction machinery & cement plant machinery spares, etc.
Inquiry Now!
Download - PDF